上海势元机电设备有限公司电 话:021-60705130传 真:021-60705136手 机:13917205236联系人:胡云龙邮 箱:huyunlong1983@126.com网 址:www.shiyuansh.com
主要零件材料
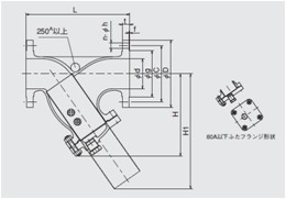
主要外形尺寸
温度压力范围