产品中心 / Product
日立球阀 BU20F1BM
日立球阀 BU20F1BM

主要零件材料

 

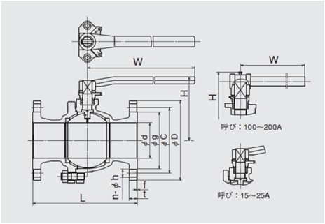
主要外形尺寸

温度压力范围