产品中心 / Product
日立不锈钢法兰球阀 BU10F1BM
日立不锈钢法兰球阀 BU10F1BM

主要零件材料

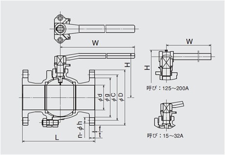
主要外形尺寸

温度压力范围