产品中心 / Product
日立球阀 BU300F1B
日立球阀 BU300F1B

主要零件材料

 

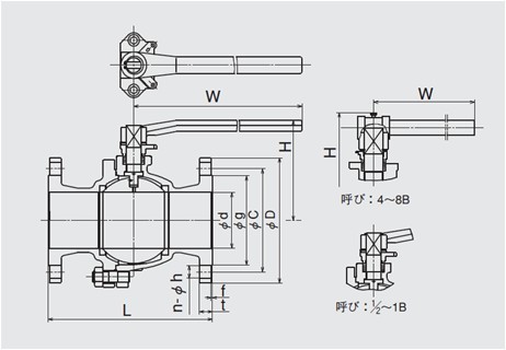
主要外形尺寸

温度压力范围