产品中心 / Product
日立铸钢法兰止回阀 S20KFCS
日立铸钢法兰止回阀 S20KFCS

主要零件材料                                                                                                     温度压力范围

                                              

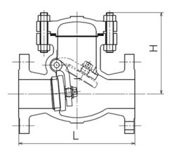
主要外形尺寸