产品中心 / Product
日立铸钢法兰止回阀 S150FCS
日立铸钢法兰止回阀 S150FCS

主要零件材料                                                                                                      温度压力范围

                                          

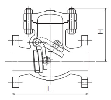
主要外形尺寸