产品中心 / Product
日立软密封止回阀 M10KSCD
日立软密封止回阀 M10KSCD

主要零件材料

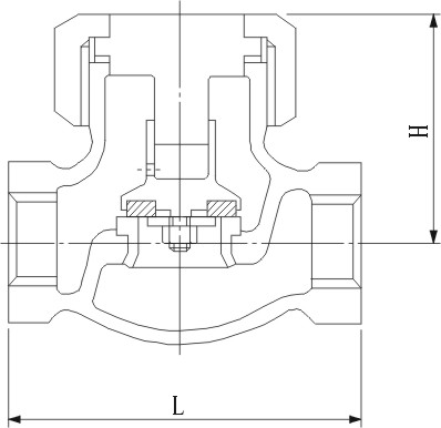
主要外形尺寸

温度压力范围