产品中心 / Product
日立玛钢软密封法兰止回阀 M20KFCD
日立玛钢软密封法兰止回阀 M20KFCD

主要零件材料

         

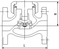
主要外形尺寸

温度压力范围