产品中心 / Product
日立玛钢丝口软密封止回阀 M20KSCD
日立玛钢丝口软密封止回阀 M20KSCD

主要零件材料

                     

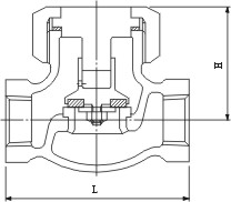
主要外形尺寸

温度压力范围