产品中心 / Product
日立玛钢法兰止回阀 M150FC
日立玛钢法兰止回阀 M150FC

主要零件材料

            

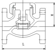
主要外形尺寸

温度压力范围