产品中心 / Product
日立玛钢法兰软密封止回阀 M150FCD
日立玛钢法兰软密封止回阀 M150FCD

主要零件材料

          

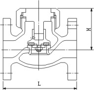
主要外形尺寸

温度压力范围