产品中心 / Product
日立止回阀 U150FC
日立止回阀 U150FC

主要零件材料

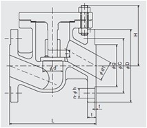
主要外形尺寸

温度压力范围