产品中心 / Product
日立不锈钢法兰旋启式止回阀 U20FCS
日立不锈钢法兰旋启式止回阀 U20FCS

主要零件材料

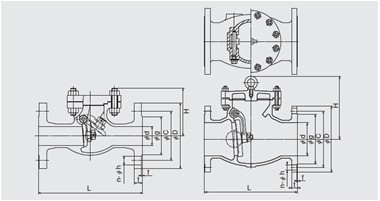
主要外形尺寸

温度压力范围