产品中心 / Product
日立旋启式止回阀 UFCS
日立旋启式止回阀 UFCS

主要零件材料

            

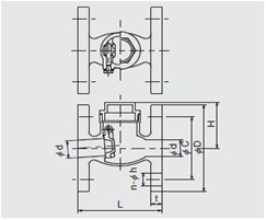
主要外形尺寸

温度压力范围