产品中心 / Product
日立不锈钢法兰截止阀 U20FG
日立不锈钢法兰截止阀 U20FG

主要零件材料

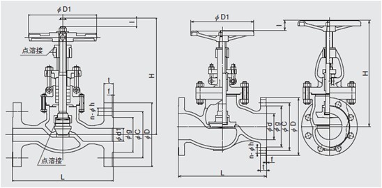
主要外形尺寸

温度压力范围