产品中心 / Product
日立软密封截止阀 UFD
日立软密封截止阀 UFD

主要零件材质

              

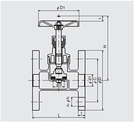
主要外形尺寸

温度压力范围