产品中心 / Product
日立截止阀 UFGM
日立截止阀 UFGM

主要零件材料

                 

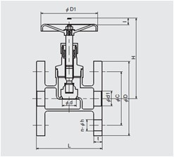
主要外形尺寸

温度压力范围