产品中心 / Product
日立截止阀 UFG
日立截止阀 UFG

主要零件材料

                  

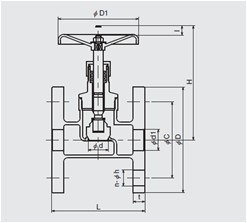
主要外形尺寸

温度压力范围