产品中心 / Product
日立截止阀 UEFG
日立截止阀 UEFG

主要零件材料

               

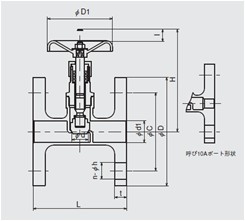
主要外形尺寸

温度压力范围